九州官方网页版_九州(中国)

新闻动态

  • 触点开关内部氧化压缩机联锁停机故障原因分析

    装置载气压缩机GB80现场急停按钮HS-178动作信号持续0.5秒,造成压缩机停机。急停按钮为常闭按钮,平时闭合,按下时断开。 经仪表人员检查发现,该型号按钮为封装式不可拆卸,破坏按钮外壳发现,内部触点 氧化,造成触点阻值变化,回路闪断停机;16:45更换按钮开关后启动载气压缩机并系统。

    2024-10-23 九州官方网页版_九州(中国)

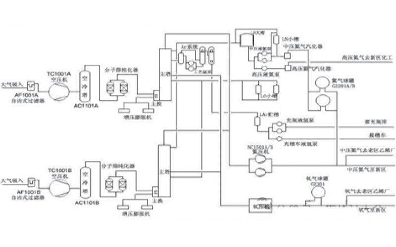
  • 双法兰差压液位计故障案例

    公用工程联合车间空分装置B套空冷塔液位LICS01-1B在1分钟内由1336mm降到1131mm,19:21:47液位开始慢慢下降,最低降至 661mm。

    2024-10-23 九州官方网页版_九州(中国)

  • 焚烧炉液位开关故障停炉原因分析

    12月27日7:30尾气焚烧炉F-502因联锁自保停炉,经检为尾气蒸汽发生器液位开关LSLL43液位低联锁触发停炉。

    2024-10-23 九州官方网页版_九州(中国)

  • 电磁阀失修引起切断阀关闭故障原因分析

    装置脱丙烷塔再沸器催化顶循流量FIC21突然回零,对工艺生产造成波动。

    2024-10-21 九州官方网页版_九州(中国)

  • ​DCS系统卡件故障原因分析

    车间净酸性气燃烧炉、尾气焚烧炉联锁动作,酸性气放火炬。6:43 内操岗位将酸性气燃烧炉联锁报警条件改旁路,点击联锁复位恢复联锁投用,燃烧炉和尾气焚烧炉正常状态,调整作 6:58 生产恢复正常。

    2024-10-21 九州官方网页版_九州(中国)

  • 控制系统机架通道故障停车

    时渣油四班内操发现K101电流由204A突然一分钟内下降至26A,K101四级出口压力和一系列系统压力缓慢下降。此时K101各级负荷显示“一级 51%,二级 56%,二级 61%.四级 63%”,未见异常,级间返回阀未见异常动作;K101机组电机正常运转,未见异常声音,现场电流20A,但压缩机机体不做功。

    2024-10-21 九州官方网页版_九州(中国)

  • 防爆仪表设备的知识总结

    仪表的防爆比电气防爆更容易疏忽,因为仪表太小,而且有些仪表是否是防爆的也不好判断,但是危险程度和电气是一样的。一般来说,仪表的防爆类型主要是本安型和隔爆型,安装在防爆区域的PLC控制柜大部分为隔爆型或者正压防爆型。

    2024-10-18 九州官方网页版_九州(中国)

  • 不用任何工具也能查到电气设备故障原因

    我走到操作室,首先查看励磁柜,也没有报警显示的呀,调试一下励磁装置也正常。

    2024-10-18 九州官方网页版_九州(中国)

九州官方网页版_九州(中国)
产品
新闻
联系