九州官方网页版_九州(中国)

新闻动态

  • 磁致伸缩液位计设置与故障处理

    磁致伸缩液位计是两线制变送器,如图1所示:信号+:接在“+POWER”端子;信号-:接在“-METER,-POWER”端子

    2025-02-24 九州官方网页版_九州(中国)

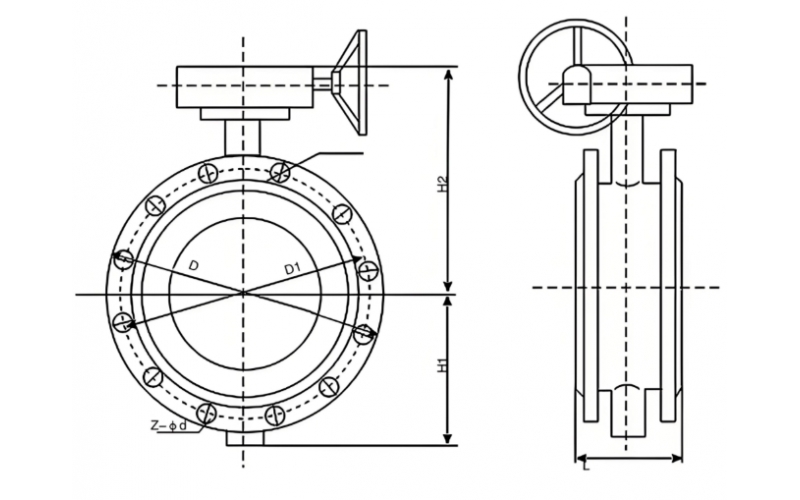
  • 三偏心蝶阀介绍

    蝶阀回转轴线(即阀杆轴线) 与蝶板密封面偏置一个尺寸a,并与阀体通道轴线偏置一个尺寸b, 阀座回转轴线与阀体通道轴线形成一个β角度。故形成三偏心。

    2025-02-24 九州官方网页版_九州(中国)

  • 双偏心蝶阀介绍

    蝶板回转轴线(即阀杆轴线与蝶板密封截面偏置一个尺寸a,并与阀体通道轴线偏置一个尺寸b,由于在单偏心密封蝶阀的基础上将蝶板回转轴线与阀体通道轴线再偏置一个尺寸b,当双偏心蝶阀处于全开状态时,其蝶板密封面会完全脱离阀座密封面,并形成更大的间隙y,使蝶板的回转半径分为长半径和短半径,在长半径转动的大半圆上,蝶板密封面转动轨迹的切线会与阀座密封面形成一个θ角,在阀门启闭时,蝶板密封面相对阀座密封面有一个渐出脱离和渐入挤压的作用,从而降低了启闭时蝶板和阀座之间的机械磨损和擦伤。

    2025-02-24 九州官方网页版_九州(中国)

  • 单偏心蝶阀介绍

    蝶板的回转中心(即阀杆中心) 位于阀体中心线上, 且与蝶板密封截面形成一个偏置尺寸a。使蝶板与阀座上的密封面形成一个完整的圆,加工时易保证蝶板与阀座的表面粗糙度。关闭蝶阀时, 蝶板的外圆密封表面逐渐接近并挤压阀座使阀座产生弹性变形, 形成的弹性力作为密封比压, 保证密封。

    2025-02-21 九州官方网页版_九州(中国)

  • 中线蝶阀介绍

    蝶板的回转中心(即阀杆的中心) 位于阀体的中心线和蝶板的密封面截面上, 阀座采用合成橡胶或塑性材料。关闭时蝶板的外圆密封面挤压合成橡胶阀座, 使阀座产生弹性变形而形成弹性力作为密封比压, 保证蝶阀的密封。

    2025-02-21 九州官方网页版_九州(中国)

  • 三偏心蝶阀介绍

    采取三偏心是为了使碟板上的密封面与阀体密封面在阀门开启和关闭时迅速脱离和接触, 减小摩擦, 减小扭矩, 增加密封面寿命。

    2025-02-21 九州官方网页版_九州(中国)

  • 电极式液位传感器的应用

    电极式液位传感器是利用液体之导电性来侦测液位高低。桶槽内装的物质一旦触及极棒,便会导电因而检出信号。经控制器的信号放大后,再输出一接点信号,供使用者做液位的控制。

    2025-02-19 九州官方网页版_九州(中国)

  • 电动执行机构新增多孔选择阀控制功能

    智能电动执行机构新增了多孔选择阀(MSV)控制功能,进一步扩展了应用范围。

    2025-02-19 九州官方网页版_九州(中国)

九州官方网页版_九州(中国)
产品
新闻
联系